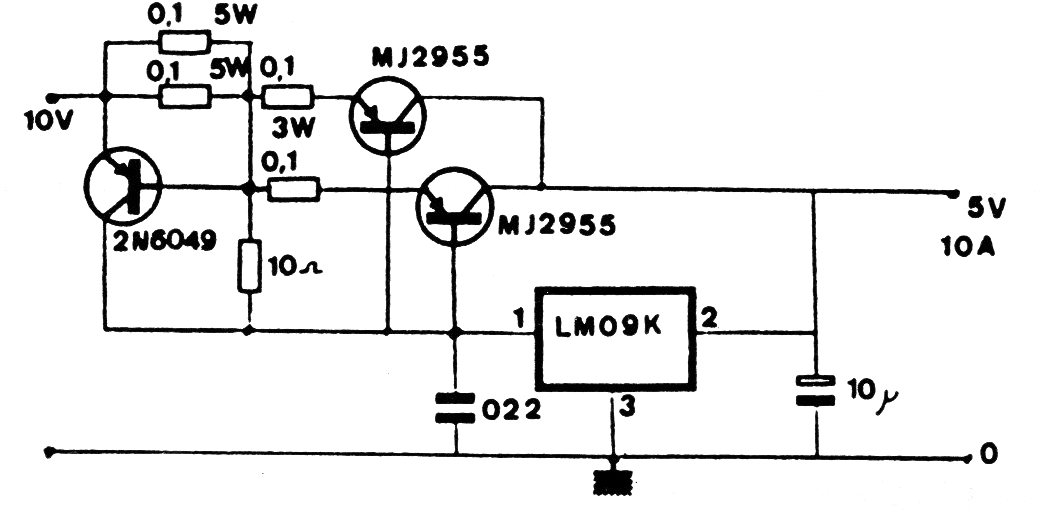
This high current regulator for TTL circuits was found in an old French documentation from the 70s. It appears in other versions on the website, coming from other sources. The power transistors must be equipped with heatsinks and the CI admits equivalent as the 7805.




