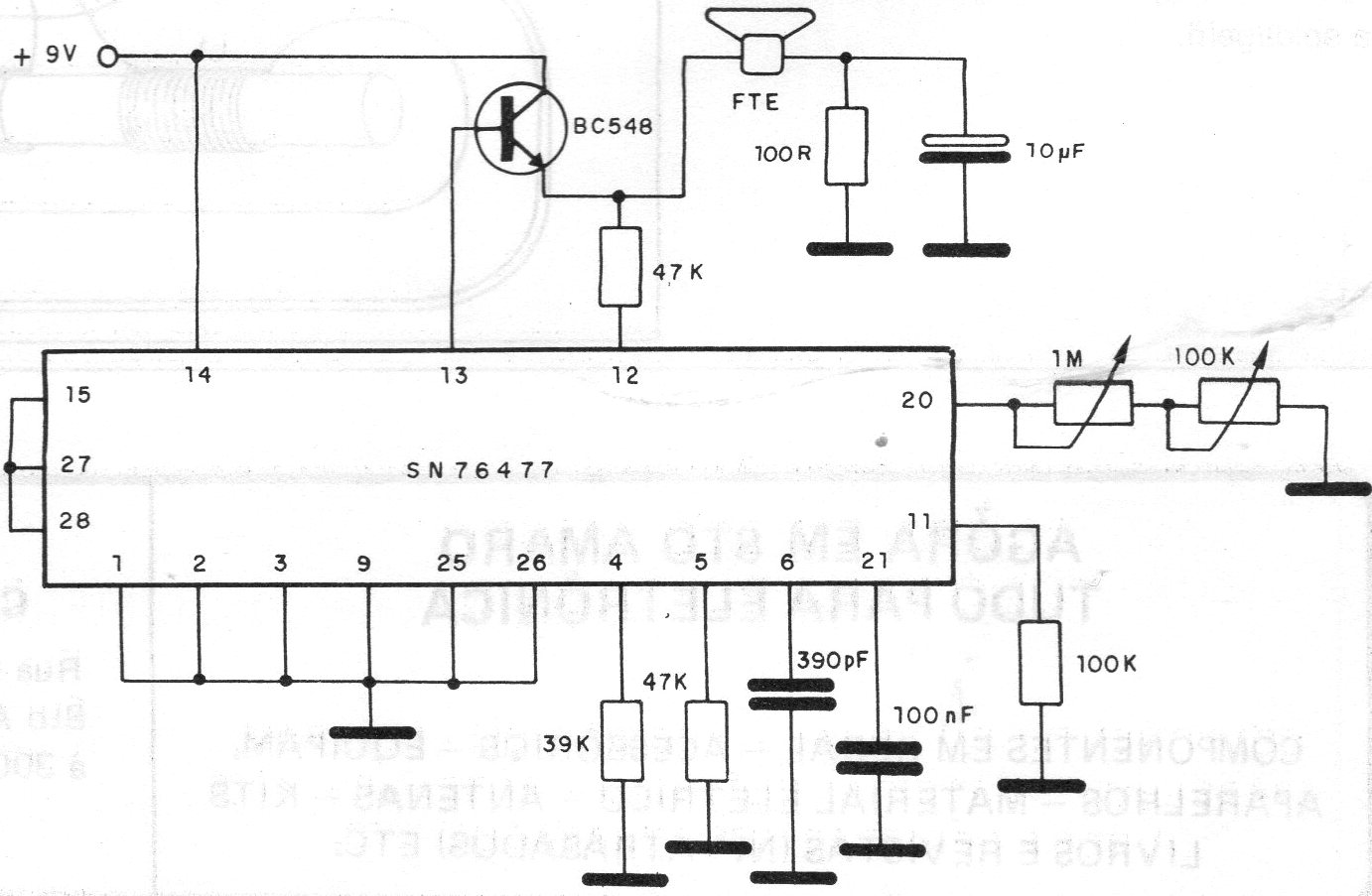
The integrated circuit used in this circuit from a 1987 documentation is no longer common today. This circuit can generate a multitude of different sounds and this circuit is an example of application.
This circuit from an old English publication from 1978 generates pulses of very short duration at a rate...
This circuit was found in an 80's Electronic Engineering. The power supply must be symmetrical. The...
The coil of this transmitter has 4 coils of wire 26 or 28 in the form of 1 cm without core and on it...