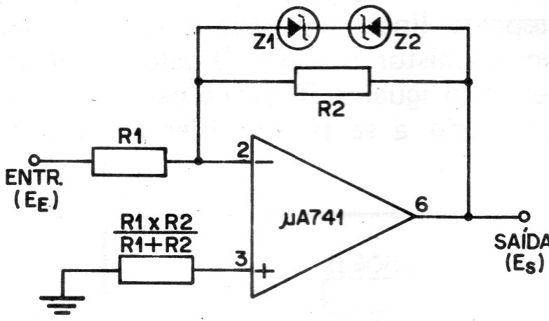
This trimmer or reaper amplifier cuts the signal peaks at a voltage determined by the zener diodes. The gain is given by R1 and R1 and the power supply must be symmetrical from 5 to 15 V.
This circuit was found in an English magazine from 1983, but it can be assembled with BC548 for...
This configuration is found in other LM317 manufacturer's manuals. It is a regulating circuit in...
This fuzz effect for guitars was found in an American 1980s documentation. The transistors may be the BC549...