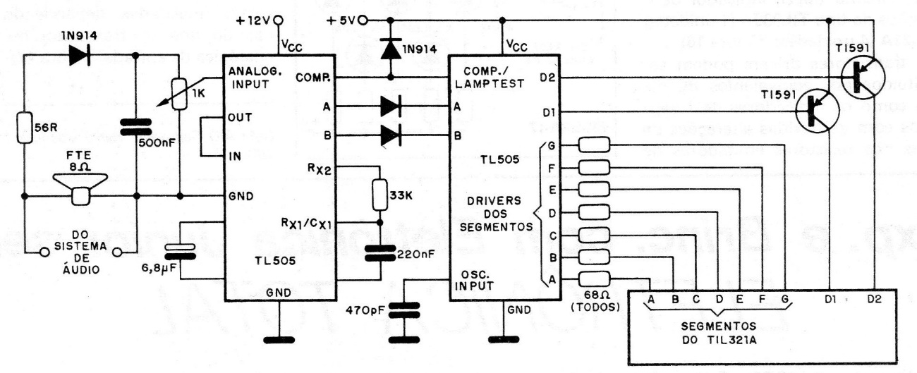
The basis of this circuit is the A / D converter TL505 that feeds an indicator type TIL 321A (Texas). As we can see, this circuit works with an internal clock, given by the 470pF capacitor in the TL502.
The basis of this circuit is the A / D converter TL505 that feeds an indicator type TIL 321A (Texas). As we can see, this circuit works with an internal clock, given by the 470pF capacitor in the TL502.