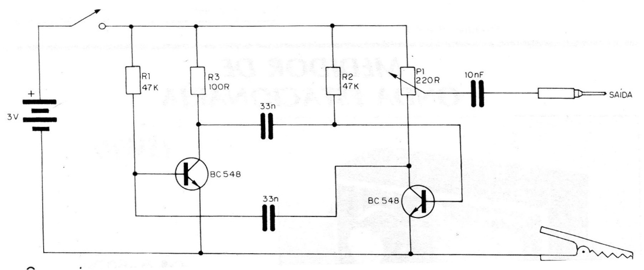
This signal injector is of great use in the troubleshooting of radio receivers and amplifiers. What we have is basically an astable multivibrator whose frequency is determined by the 33 nF capacitors and the 47k R1 and R2 resistors. The rectangular waveform obtained from this circuit is rich in harmonics, which means that we not only have the basic audio signal but signals that can be tuned even in the highest bands of short-wave receivers and even FM. amplifiers.




