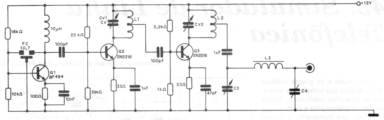
We found this small shortwave transmitter circuit in a 1994 documentation. The frequency of the circuit is determined by a 10.7 MHz ceramic filter. The L1 coil consists of 15 wire 28 in a 0.5 cm diameter plastic tube without a core and L2 is equal to L1. L3 has 15 turns of wire 28 in a 0.8 cm diameter core with a ferrite core.




