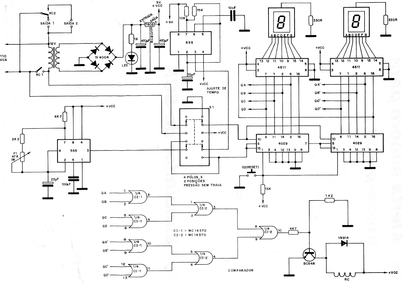
This timer counts down the times until, at the end, it activates a relay. The programming time is obtained by pressing S1 and S2 simultaneously. Releasing S2 and keeping S1 pressed, the time is obtained. The circuit has two time-bases, one being 1 Hz and the other adjustable. The circuit already includes a source, and the displays are of common cathode.




