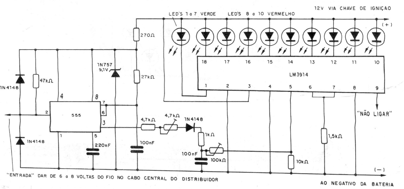
In fact, this 1994 circuit uses a scale of LEDs to indicate the pulse rate applied to its input. Trigger and scale adjustments are made in trimpots. The circuit can be powered by voltages from 9 to 12 V. The 100 nF capacitors may eventually need changes, depending on the operating range of the circuit.




