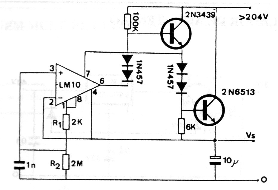
The relationship of values between R1 and R2 determines the reference voltage for this circuit that we find in a documentation from the 1970s. The integrated circuit used is not very common today and the transistors can be replaced by equivalents, as they are also not common.




