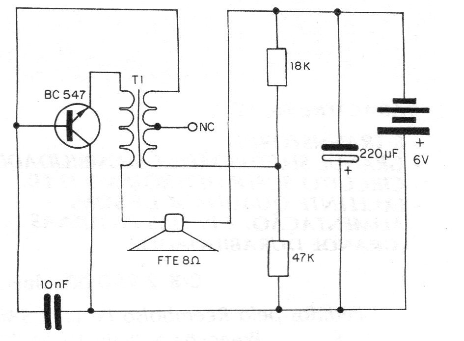
This very simple audio oscillator can be used as a call device for intercoms or even as an audible alert. We found this circuit in a 1982 documentation. The author suggests using it in conjunction with an intercom to call people in a distant location. The components used in this assembly are not critical, having used an AC127 transistor in the prototype. As this transistor is currently not very easy to obtain, we recommend replacing it with silicon equivalents, since the circuit is not critical, such as the BC547 or BC237. We observed that the operation of the oscillator in question depends a lot on the characteristics of the used transformer, which must have a primary winding of 200 to 2000 ohms and a secondary winding of 8 ohms.




