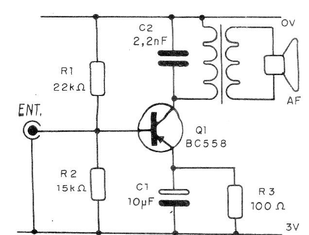
We can use the circuit shown below, obtained from a 1992 documentation. To turn a low impedance phone or small speaker into a high impedance phone. The circuit uses a transistor radio output transformer and an amplification step with a general-purpose transistor. Power can be supplied with a voltage of 3 V obtained from 2 small batteries.




