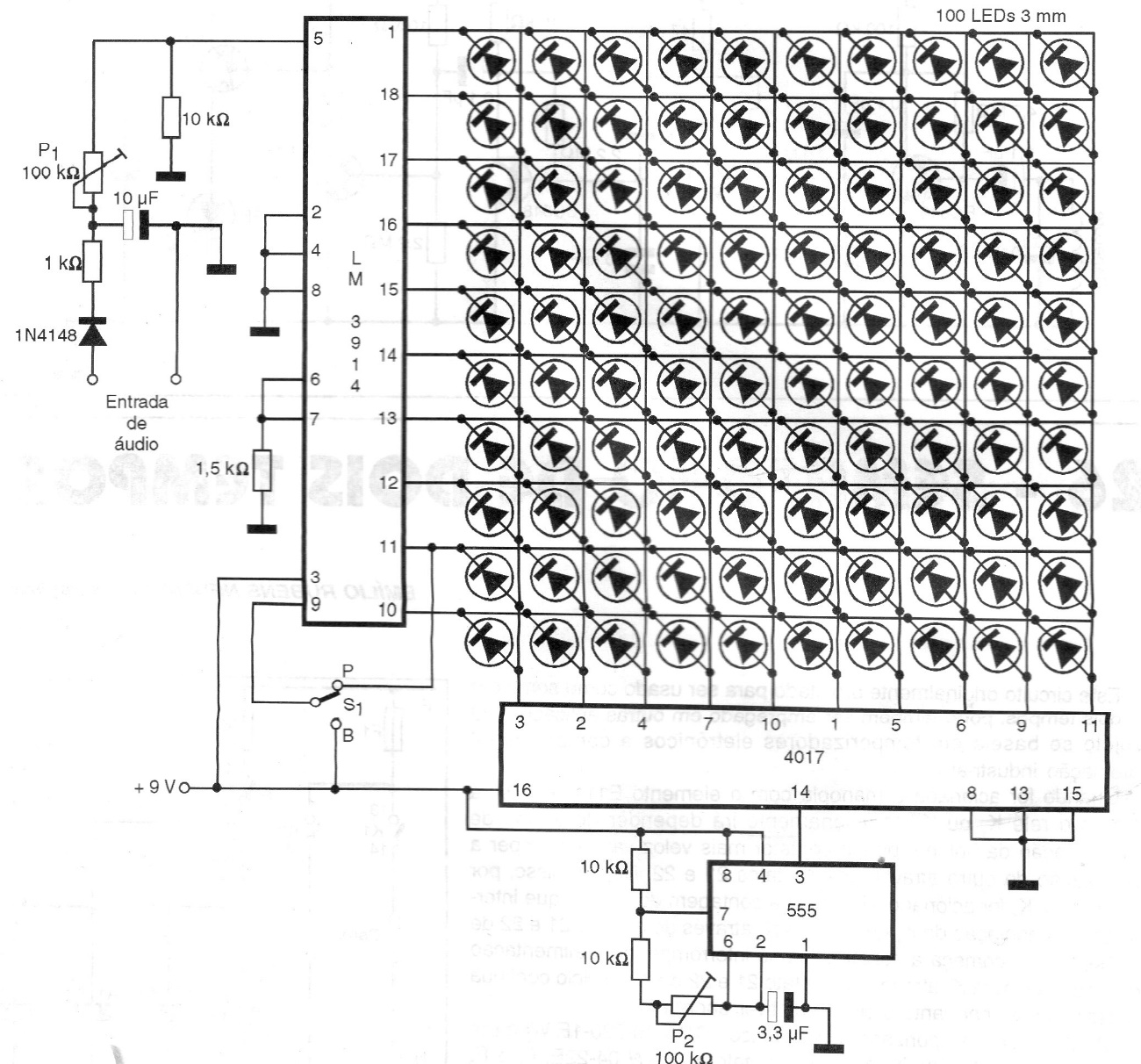
This LED effects circuit was found in a 1998 publication, but it can still be easily assembled by the components it uses. The vertical and horizontal flows are adjusted in the two pots or trimpots. The circuit is powered with 9 V in the original scheme, but will work well with voltages from 5 V.




