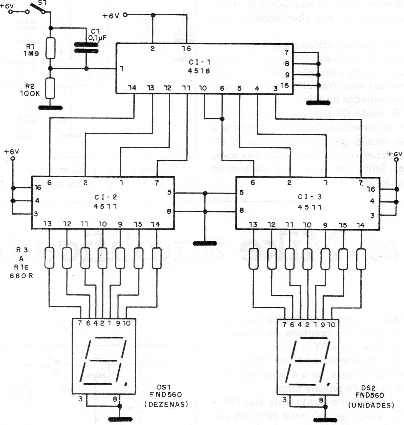
This basic digital two-digit circuit makes it possible to count the turns on a winder, for example, or pulses, on a passage counter. More digits can be added, and the counting is done by the pulses of S1 which can be a reed sensor, for example. The circuit is powered by 6 V and the displays are of common cathode.




