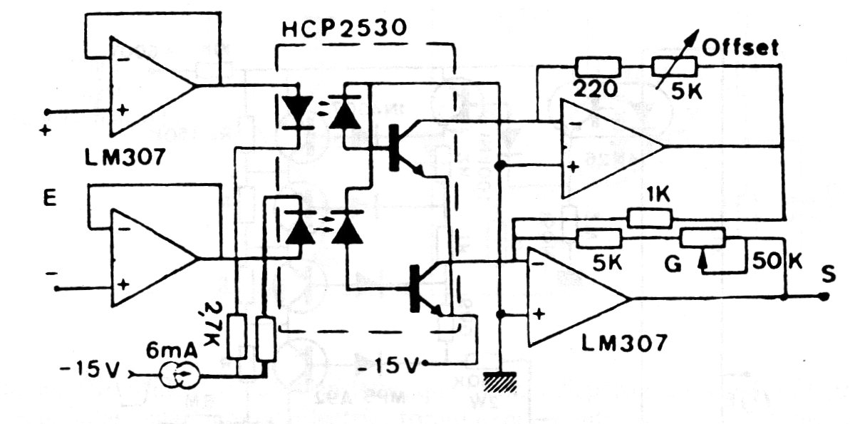
This circuit is suitable for instrumentation applications having been found in an old French documentation. The operational ones support modern equivalents as well as the optical coupler and the power supply must be symmetrical. The circuit has an offset adjustment.




