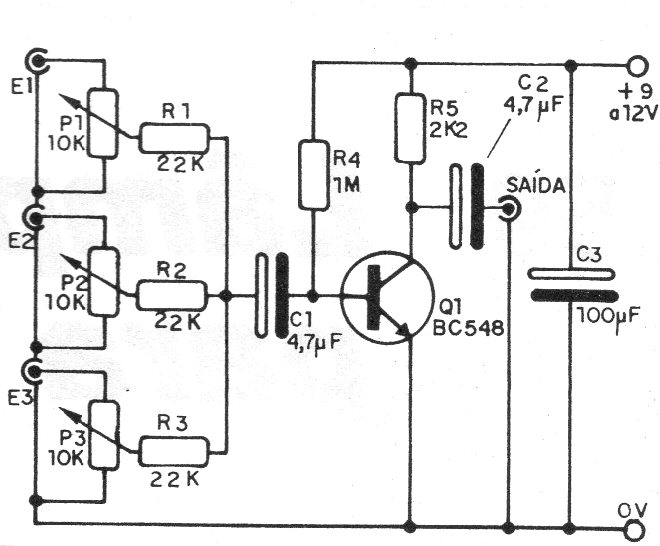
This conventional version with a transistor, already explored many times on our website, was found in a 1987 documentation. The supply can be made with voltages from 9 to 12 V, the consumption is very low, allowing the use of batteries and more inputs can be aggregated. Signal cables must be shielded.




