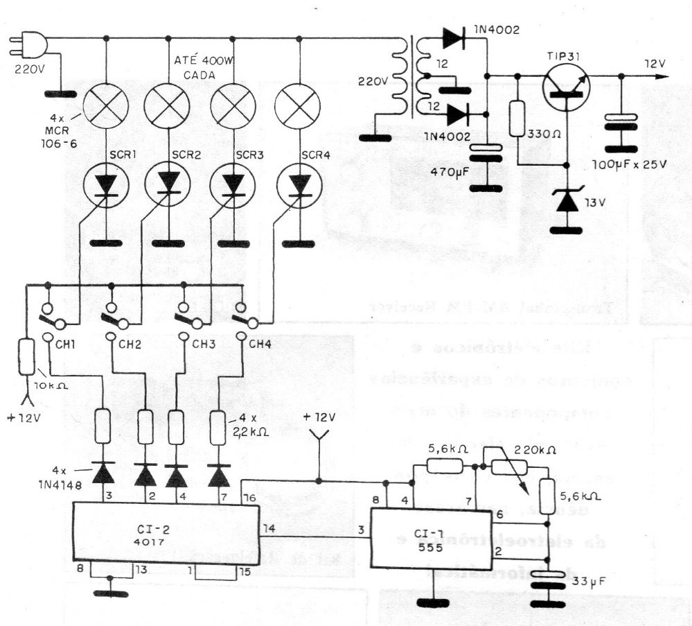
This circuit was found in a 1992 publication. The circuit uses common components and includes the power supply. It powers incandescent lamps using SCRs that must be mounted on heat sinks. The potentiometer adjusts the the effect.
This circuit was found in a 1992 publication. The circuit uses common components and includes the power supply. It powers incandescent lamps using SCRs that must be mounted on heat sinks. The potentiometer adjusts the the effect.