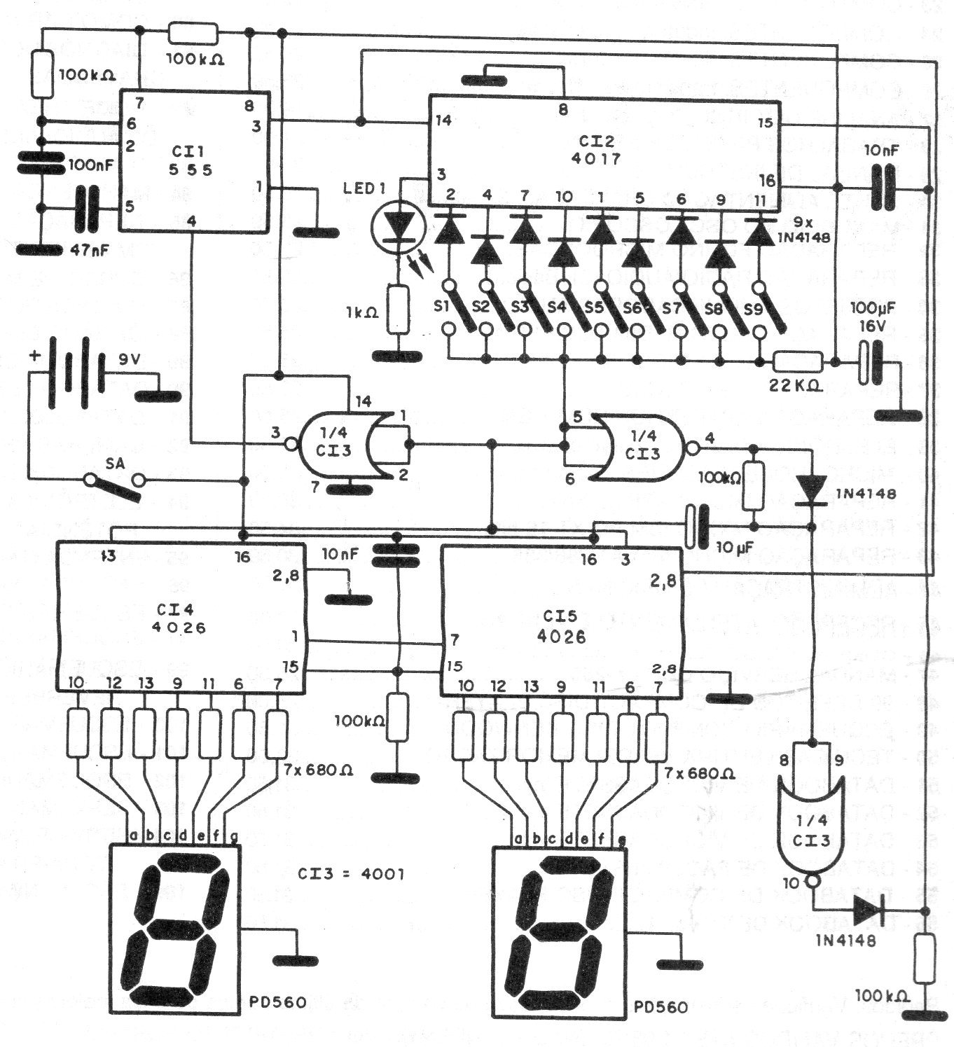
This interesting circuit shows on a display the sequence of numbers corresponding to a decimal from 1 to 9 by the sequence of integers from 1 to 9. Thus, if we choose 5 as a multiplier, we will have the presentation of the numbers 5, 10, 15, 20, etc. The circuit uses common cathode displays and the integer selection is made by switches. Power is provided by 4 standard batteries and the speed of the effect depends on the capacitor on pins 2 and 6 of the 555.




