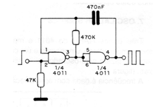
This oscillator can be used as a CIock-Triggered for various electronic applications. Oscillation only occurs when input E is at level 1. The frequency is given with approximation by the same formula as in the previous case (CB16071E). For the 4011 the maximum oscillation frequency is around 1 MHz. To change the frequency, it is convenient to change the capacitor and not the resistor.




