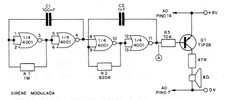
In this circuit we have two oscillators, one controlling the other, using the 4 NAND gates of the integrated 4001. The first is the modulator circuit, which operates at around 10 Hz (this frequency depends on C1) and the second at around 1 kHz (this frequency depends on C2). The first circuit controls the second, so that we have the modulation of the signal obtained at point (A). This modulated signal is amplified by transistor Q1 and is then taken to the speaker. This configuration is of low power. But, if the reader wants more volume in the sound, he can also use the amplifying steps of the CIR8916 by connecting them to point (A).




