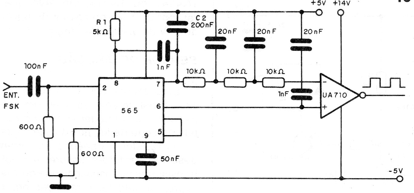
This 1992 circuit demodulates FSK signals by providing TTL-compatible logic output. The operational can be replaced by equivalents and the supply of the logic sector is made with 5 V. The operational sector must be supplied according to the circuit that must be excited.




