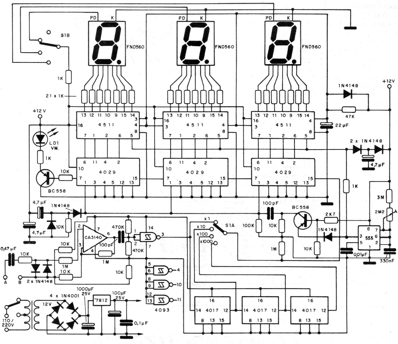
This circuit can measure frequencies up to just over 1 MHz and uses CMOS technology. The circuit is from 1990 documentation and has three-digit measurement definition. Adjustments are made in the trimpot and accuracy depends on them. The circuit operates with 4 frequency bands and includes the power supply.




