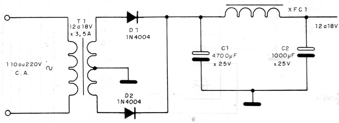
This power supply was originally designed to power the amplifier shown in CB16743E, but it can be used in other applications. The filter shock is the secondary winding of a 12 V x 3 A transformer.
This power supply was originally designed to power the amplifier shown in CB16743E, but it can be used in other applications. The filter shock is the secondary winding of a 12 V x 3 A transformer.