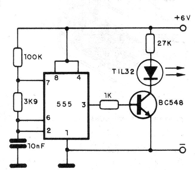
This circuit, from a 1990 documentation, can serve as a basis for a game of target-game. The receiver is given in the CB16978E. The circuit produces a modulated signal from a 555 and is powered by a 9 V battery. The emitting LED must be mounted on a tube with a lens, for greater directivity and range of the shot.




