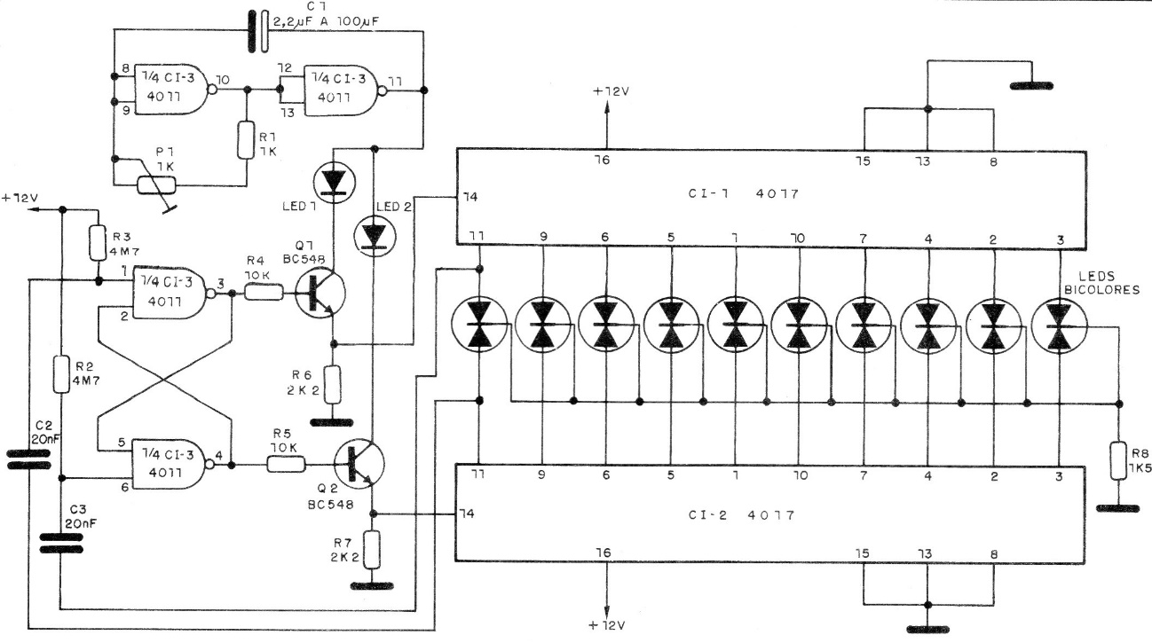
This circuit was obtained in a 1988 publication, but it can be assembled very easily today, as all components are still common. The effect speed is controlled by P1 and common bicolor LEDs are used. The supply can be done with voltages from 6 to 12 V.




