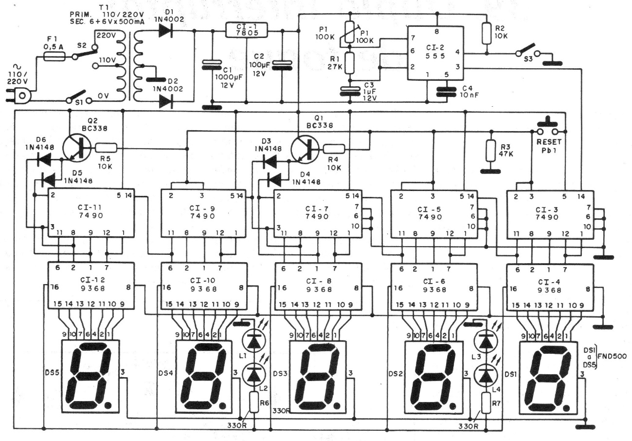
We found this 5-digit circuit in a 1990 publication. The displays are of a common cathode and the circuit is based on TTL technology, therefore consisting of an excellent project for teaching purposes. The accuracy of the circuit depends on the setting of the 555 that provides the clock signal. An adaptation can be made to use the network as a basis, thus obtaining a much more precise circuit.




