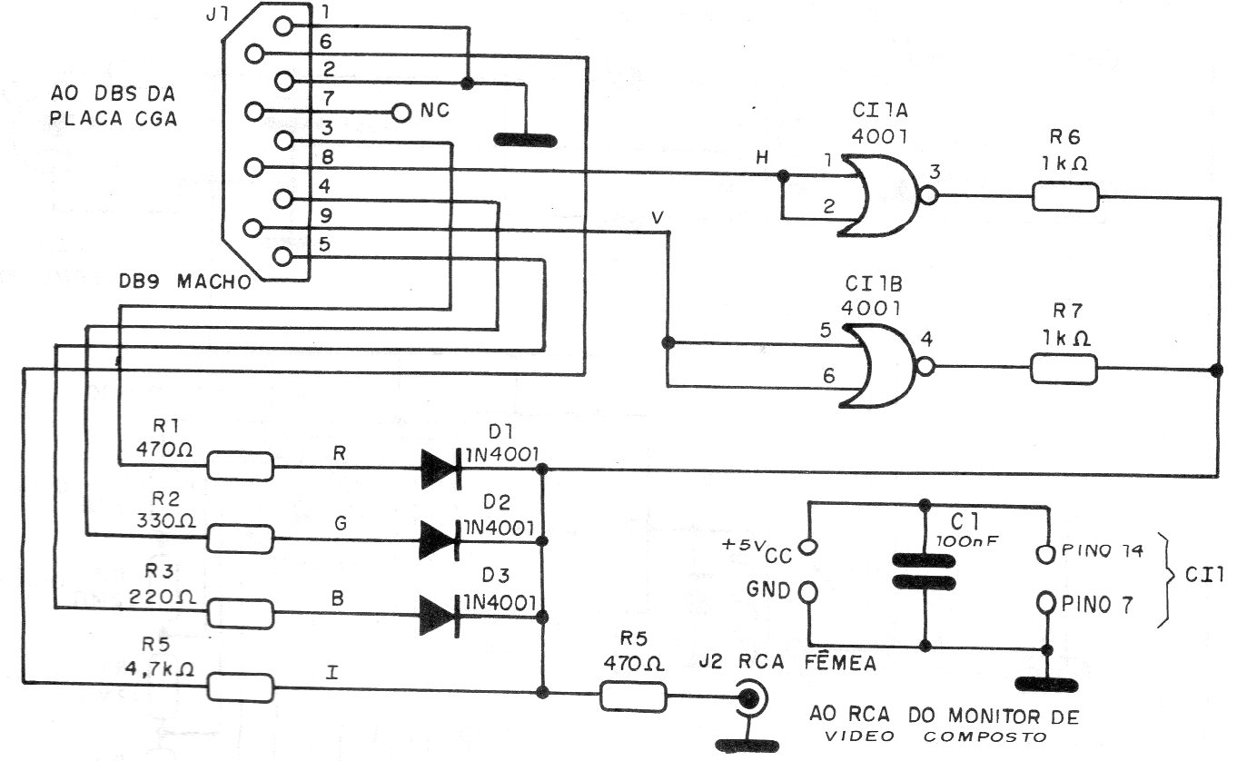
This simple circuit converts RGB signals into composite video and can be used as a shield in applications involving microcontrollers and computers. The circuit must be powered by a 5 V source with at least 50 mA.
This simple circuit converts RGB signals into composite video and can be used as a shield in applications involving microcontrollers and computers. The circuit must be powered by a 5 V source with at least 50 mA.