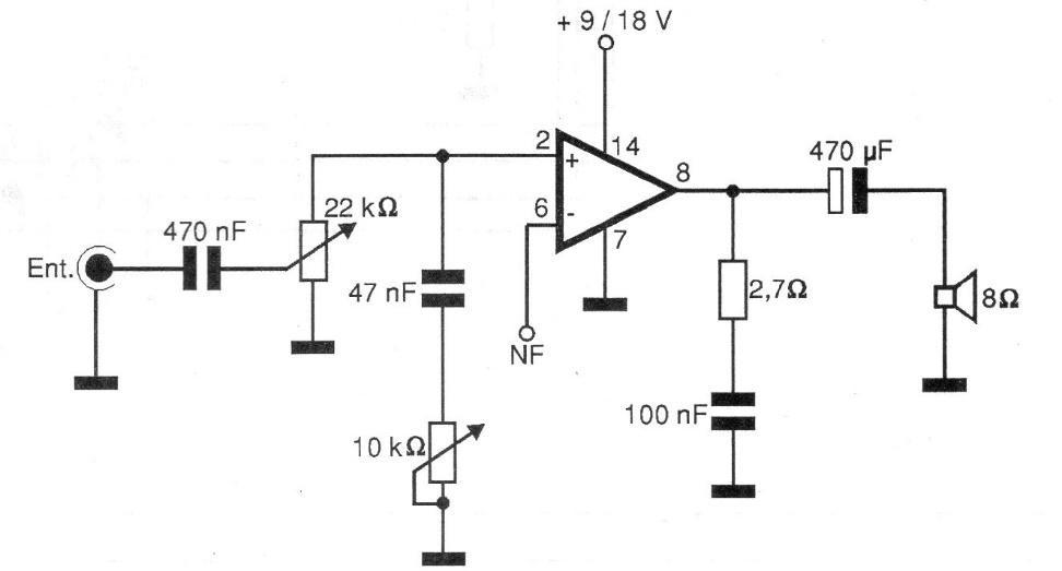
This is a circuit from 1999 documentation, therefore there is some difficulty in obtaining the integrated circuit used. However, the circuit has good power with maximum supply voltage and excellent sound quality.
This is a circuit from 1999 documentation, therefore there is some difficulty in obtaining the integrated circuit used. However, the circuit has good power with maximum supply voltage and excellent sound quality.