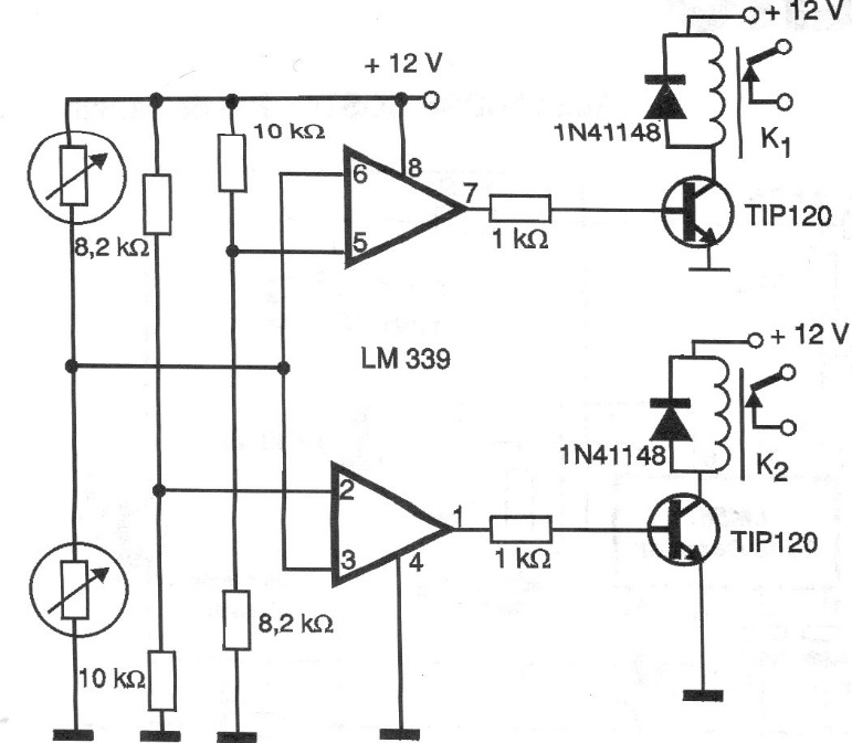
This circuit can serve as the basis for a project that involves artificial intelligence for a robot or other device. The circuit consists of a comparator that is driven by signals from two LDRs. The signal passing and relay activation window is determined by the resistors. The circuit is powered with 12 V which is the voltage of the relays, but it also works with 6 V using relays for this voltage.




