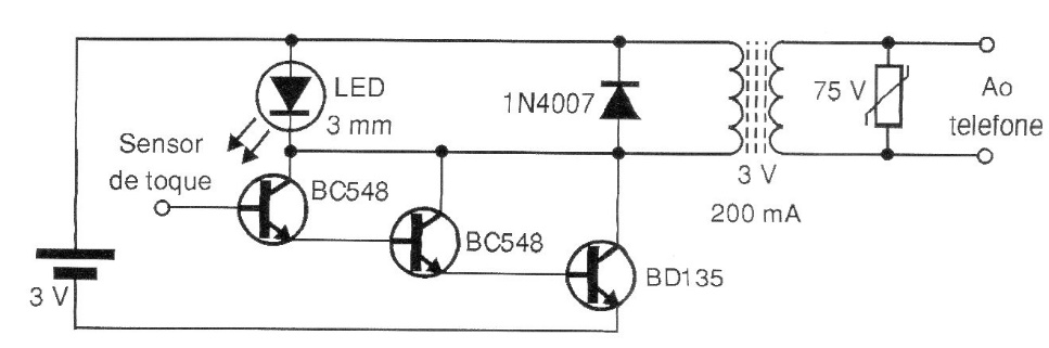
This circuit was found in a 2006 documentation. With it the telephone bell can be tested. When we touch the sensor, the circuit injects a call signal into the line. The transformer has a primary according to the power grid and a secondary 3 V and the BD135 transistor must have a small heat sink.




