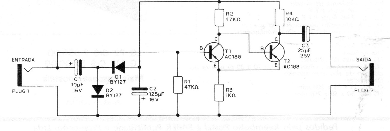
The difference of this 1982 circuit is the fact that it uses the input signal itself to obtain the direct voltage that feeds the conversion stage. With the 5 V zener in parallel with C2 the circuit can function as a shield for microcontrollers, exciting digital inputs. In this case, care must be taken that the amplitude of the input signal is not much greater than 5 V. The transistors can be the BC558.




