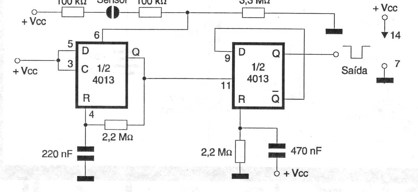
This circuit consists of a bistable touch switch with the known CMOS 4013 double flip-flop. The circuit can be powered by voltages from 3 to 13 V and works as an excellent control shield for microcontrollers. The circuit and microcontroller must never be powered by a source without a transformer.




