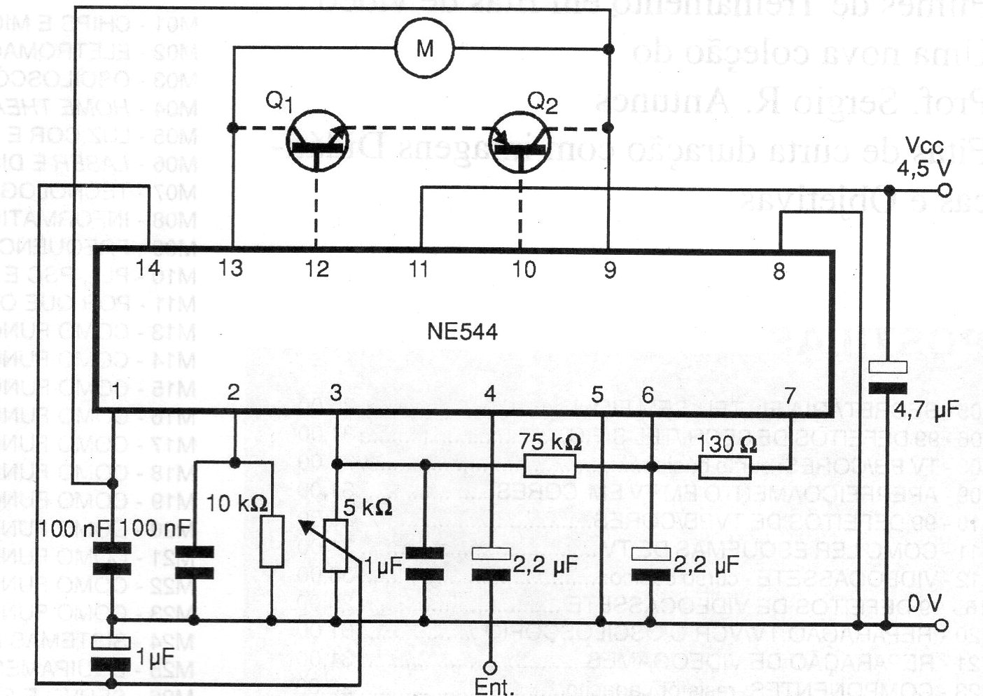
This circuit is from 1999 documentation. The integrated circuit used is not very common today. Both transistors are used if the motor current is greater than 500 mA.
In this circuit, a light-sensitive SCR or Light Activated SCR determines the operation of an...
This divider by 8 is synchronized because it is implemented based on TTL or CMOS logic according to the...
We found this circuit in a 2002 documentation. As it uses still common CMOS integrated circuits, it can...