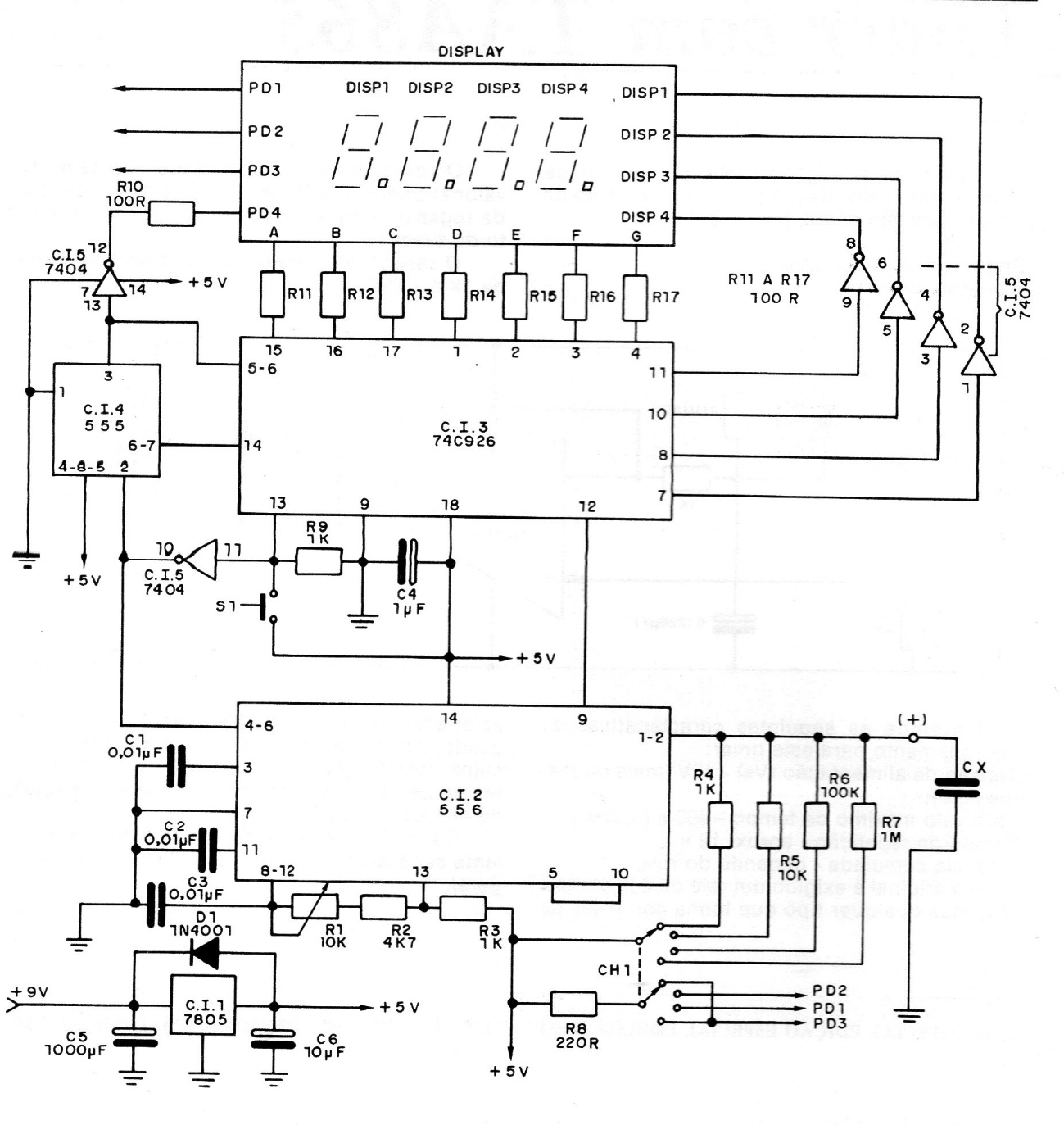
This circuit was found in a 1986 documentation and it may be difficult to obtain some of its components. The circuit is TTL and must be supplied with 5 V. The calibration of the different scales must be done in R1 and the precision depends on the resistors used.




