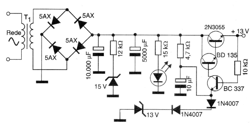
This 12 or 13.8 V stabilized source is suitable for experimental FM transmitters that require power stability. The 2N3055 must have an excellent heat sink and the BD must be mounted on a smaller one. The circuit is from 2005 documentation and the transformer has a 12 V x 5 A secondary.




