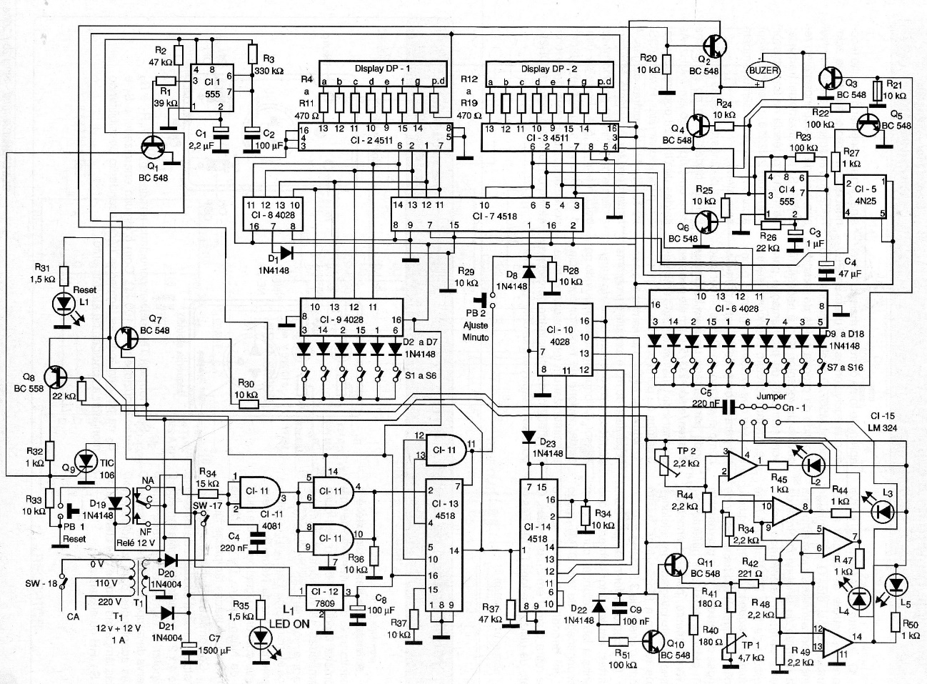
Of course, the circuit also serves other applications, such as controlling chemical and other processes. The operation is as follows: set the end time using key S1 to S16. For example, to set 5 minutes, close switch S1 and S12. Then close the SW-17, which will make the beep sound for approximately 20 seconds indicating that the timer is on. The programmed time will appear on the display and then touch for one minute. We have a sensor formed by diode D22 (1N4148) that serves as a thermometer, and with that it can be used to control the cooking of beans. The procedure for time is the same. The cooking time is adjusted, for example 35 minutes.




