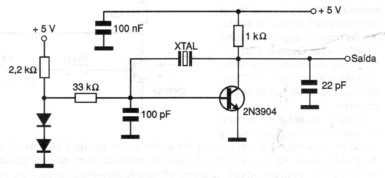
This crystal oscillator generates a 20 MHz signal. Equivalent transistors such as BF494 and 2N2222 can be used. The stabilizing diodes can be 1N4148.
In the figure we have an amplification stage with FET in the source follower configuration. The circuit is...
The recommended distance between the emitter and the sensor of this coupler is 15 mm. The circuit is...
This low speed circuit was obtained in a 1966 Microelectronic Design. The circuit has a 10 MHz...