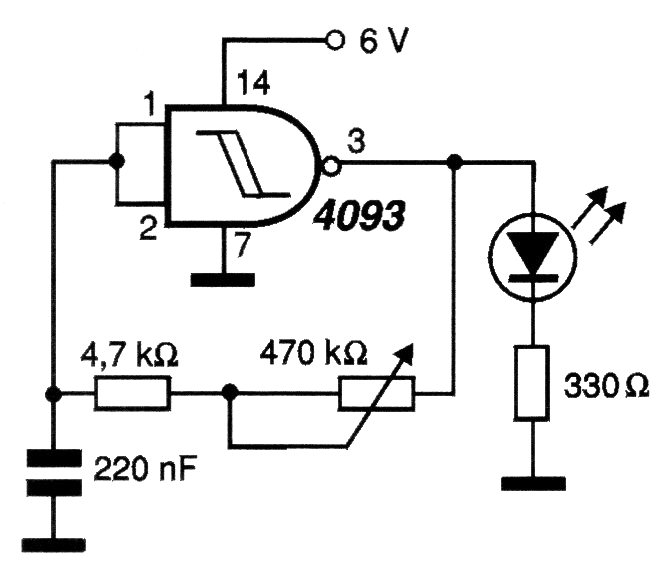
This circuit is intended to verify the maximum frequency of blinks that a person can detect. Usually, this capacity is reduced when watching a lot of TV or when we are exposed to excessive lighting. The circuit produces signals in the range of 10 to 100 Hz. The frequency adjustment can be done with the help of a frequency meter.




