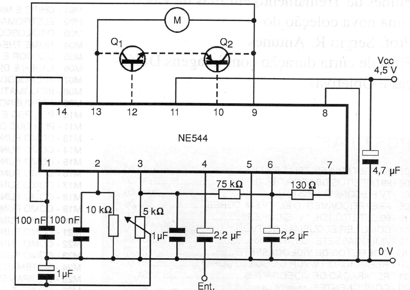
This circuit is from 1999 documentation. The integrated circuit used is not very common today. Both transistors are used if the motor current is greater than 500 mA.
The Texas Instruments TPA3100D2 integrated circuit (www.ti.com) consists of an efficient class D...
This selective filter can be used with the previous receiver (CB19446E) in a simple remote-control system....
This configuration, explored several times on this website, shows how to use a 3-terminal voltage...