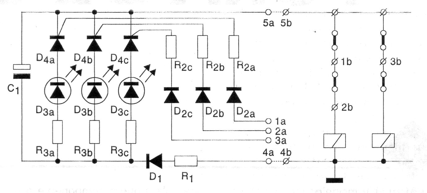
This circuit was developed to find intermittent defects in an electrical control. In the event of a defect, the circuit fires indicating the moment of occurrence.
The Texas Instruments TPA3100D2 integrated circuit (www.ti.com) consists of an efficient class D...
This selective filter can be used with the previous receiver (CB19446E) in a simple remote-control system....
This configuration, explored several times on this website, shows how to use a 3-terminal voltage...