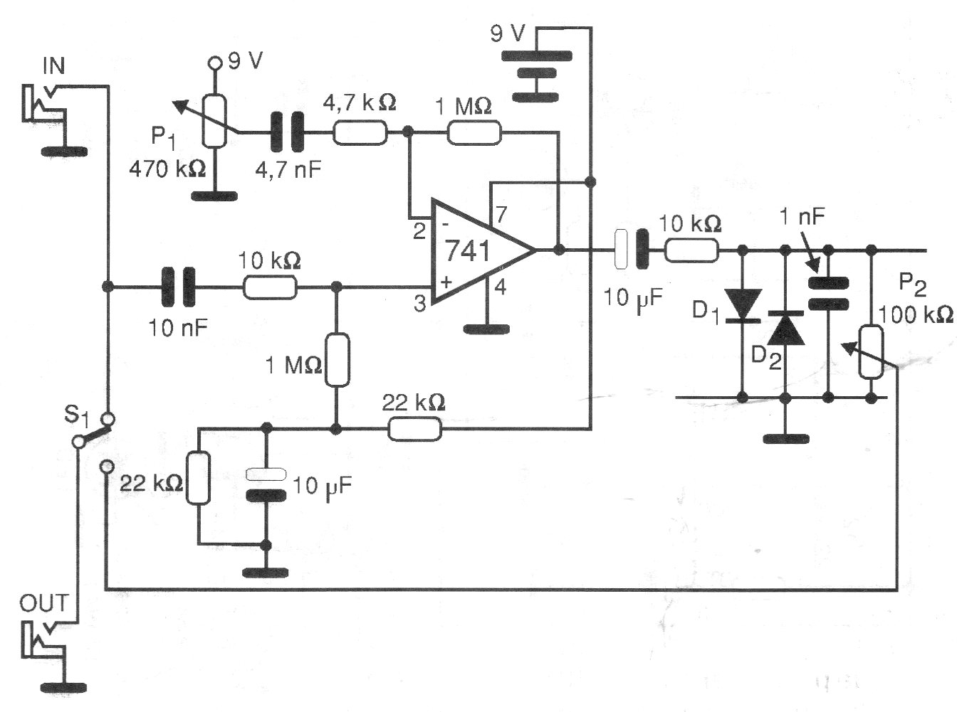
This simple circuit of effects is interspersed between the instrument and the amplifier. It is powered by a 9 V battery to minimize the effect of noise and the input and output cables must be shielded.
This simple circuit of effects is interspersed between the instrument and the amplifier. It is powered by a 9 V battery to minimize the effect of noise and the input and output cables must be shielded.