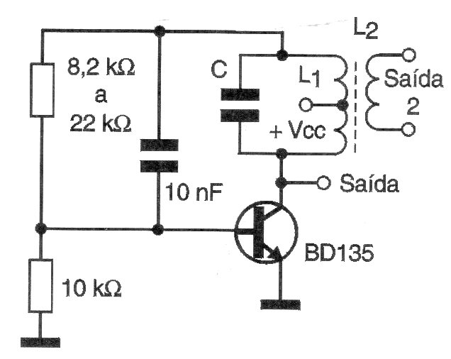
The good signal of this circuit depends on L1 and C1. For 80 turns of wire 28 with a central socket on a ferrite rod and a capacitor of 470 pF for C the frequency will be around 1 MHz. L2 consists of 10 to 20 turns of wire 28 on L1 and the transistor must be equipped with a heatsink. of heat. The supply can be done with voltages from 3 to 12 V.




