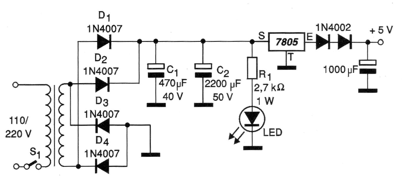
This is a 5 V power supply from 2002 documentation, suitable for walkmans and diskmans, common at the time. However, this font can be used for other applications. The voltage of the transformer is 6 or 7.5 V with current up to 1 A. The voltage regulator must be equipped with a heat sink.




