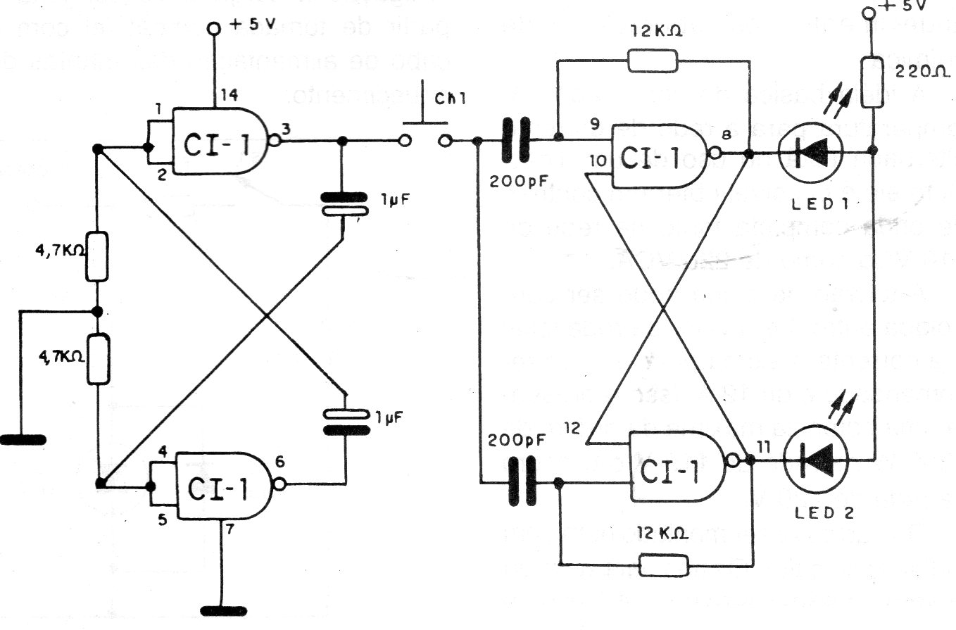
This circuit with integrated TTL 7400 has a good teaching purpose, drawing one of two LEDs. The supply must be made with a voltage of 5 V. 4 batteries can be used in series with reducing diode 1N4002 to decrease the voltage. The diode is connected in series with the power supply.




