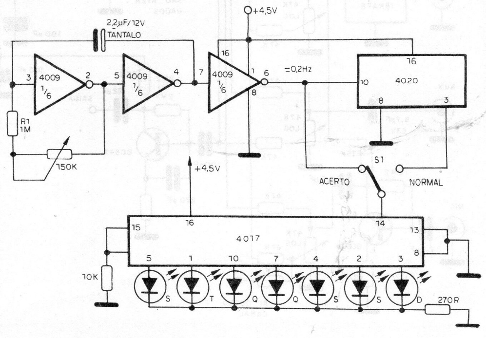
We found this CMOS circuit in a 1989 documentation. The accuracy will depend on the adjustment that is made in the trimpot. This adjustment is made by adjusting the trimpot so that the LEDs change once every 5 seconds approximately. The circuit is powered by 3 or 4 small batteries or a 5 or 6 V source.




