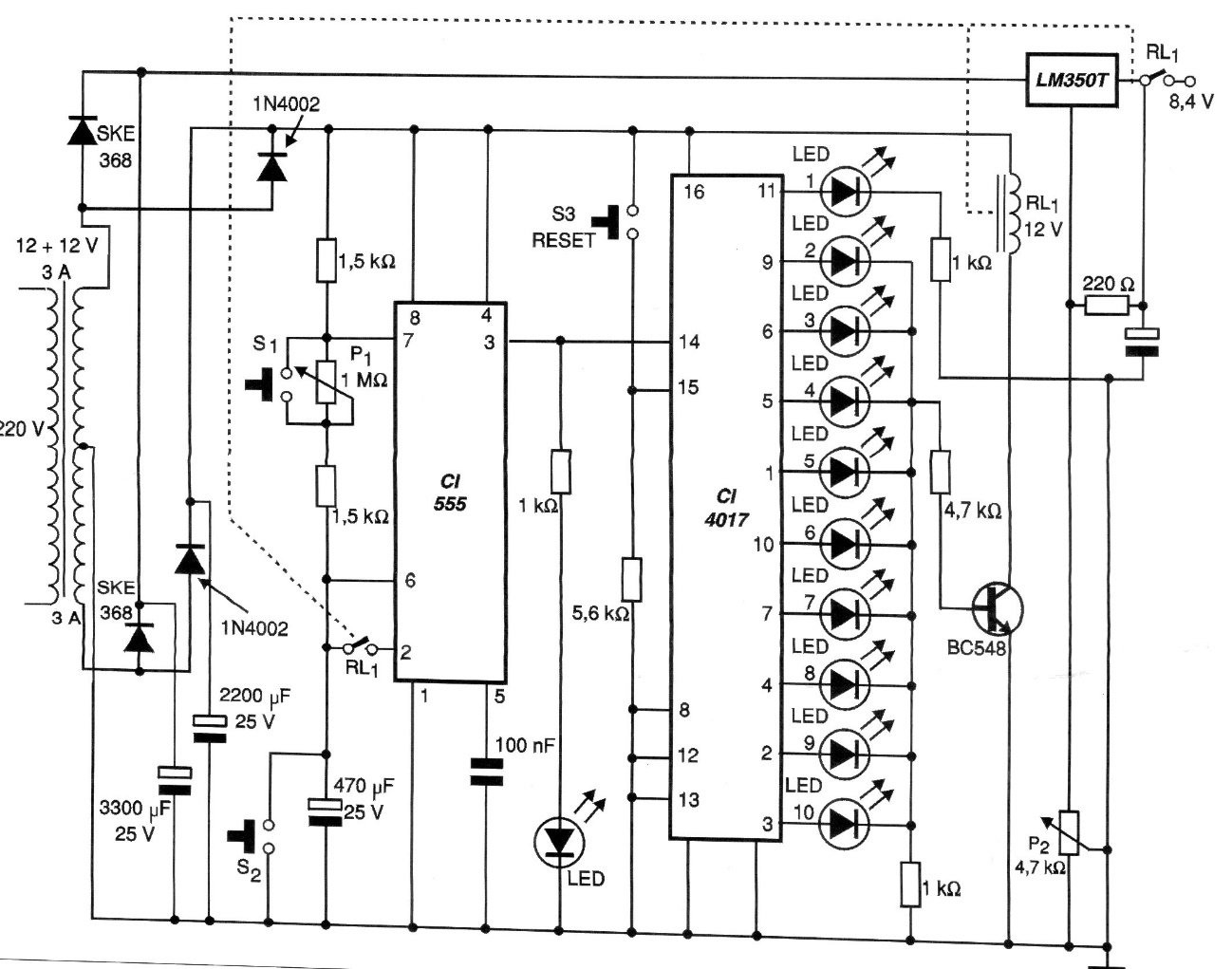
This 2000 circuit, found in the documentation of the time, is intended for charging this type of battery, which requires high currents and a longer charging time with stabilized current. The circuit monitors the load through 10 LEDs and the voltage regulator must be mounted on a heat sink. InfoLITHIUM batteries were used in camcorders at the time.




