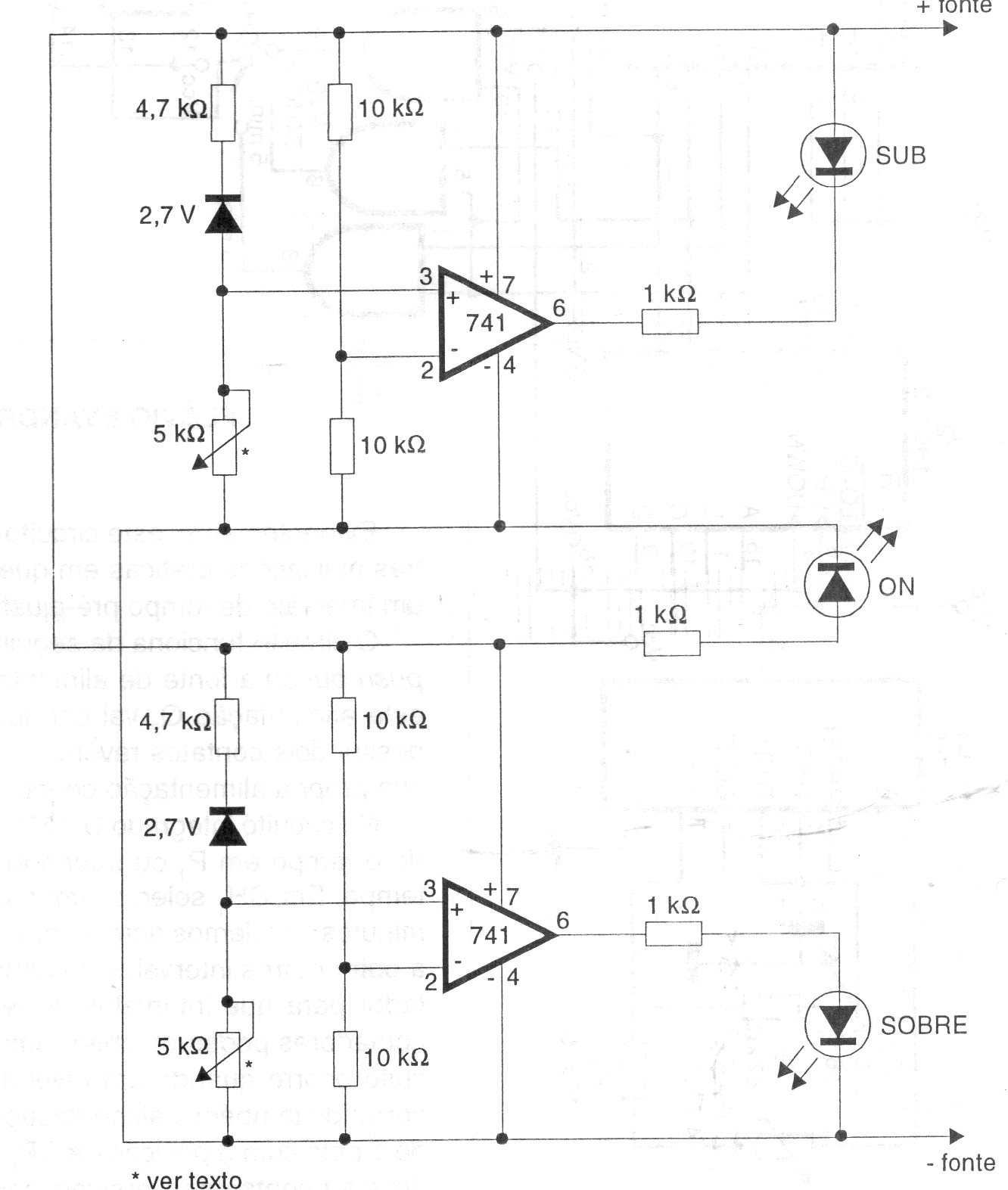
This is a traditional comparator configuration to obtain an under and over voltage indicator. In this case, the comparators are configured with operational 741 and the trigger points are adjusted in trimpots that can be 4k7 or even 10k.
This is a traditional comparator configuration to obtain an under and over voltage indicator. In this case, the comparators are configured with operational 741 and the trigger points are adjusted in trimpots that can be 4k7 or even 10k.