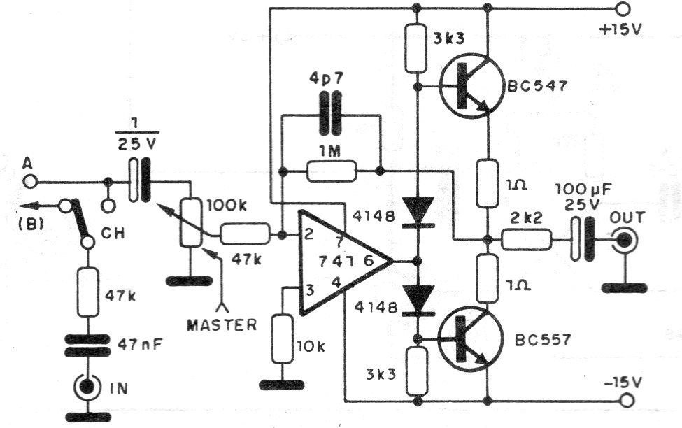
This small amplifier with transistor output provides 1W to 2W of power. The circuit can be used as a monitor for the CB17350E mixer or in other applications. The power supply must be symmetrical from 6 to 12 V.
This small amplifier with transistor output provides 1W to 2W of power. The circuit can be used as a monitor for the CB17350E mixer or in other applications. The power supply must be symmetrical from 6 to 12 V.