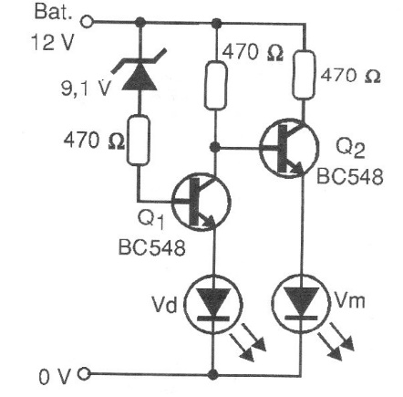
This simple indicator circuit uses two transistors indicating when the voltage of a 12 V battery is below 10 V. The zener diode determines the trigger point and the LEDs are common in two colors.

This simple indicator circuit uses two transistors indicating when the voltage of a 12 V battery is below 10 V. The zener diode determines the trigger point and the LEDs are common in two colors.
