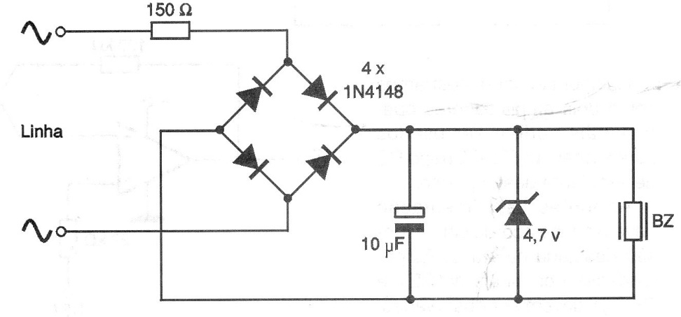
This circuit allows the activation of a remote telephone bell made with a common piezoelectric capsule. The circuit does not need power, as it is powered by the line call signal itself.
The Texas Instruments TPA3100D2 integrated circuit (www.ti.com) consists of an efficient class D...
This selective filter can be used with the previous receiver (CB19446E) in a simple remote-control system....
This configuration, explored several times on this website, shows how to use a 3-terminal voltage...