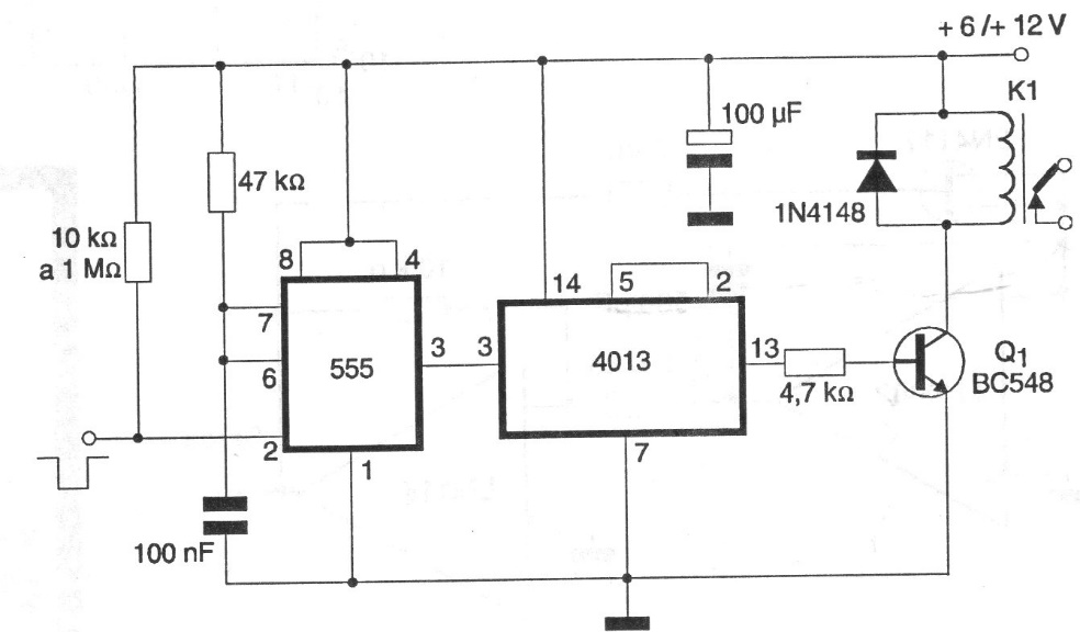
This configuration, widely used in our articles and on this website, uses a 555 to control a relay with pulses in a bistable action. One pulse turns on and the next turns off, and so on. The relay is 6 or 12 V depending on the circuit supply.
This configuration, widely used in our articles and on this website, uses a 555 to control a relay with pulses in a bistable action. One pulse turns on and the next turns off, and so on. The relay is 6 or 12 V depending on the circuit supply.